The test case is extracted from a large hierarchical design. RTL changes affect 6 flops and 6 output ports. GOF auto ECO uses 24 cells 4.7 in area to fix the logic, while conformal ECO uses 76 cells 20.3 in area to fix the logic. To be fair in comparison, all cells in ECO use driver 'D0'.
| ECO Result | Total Cells | Non-Buffer | Invert | Buffer | Area | 
| GOF | 24 | 7 | 14 | 3 | 4.7 | 
| Conformal ECO | 76 | 62 | 14 | 0 | 20.3 | 
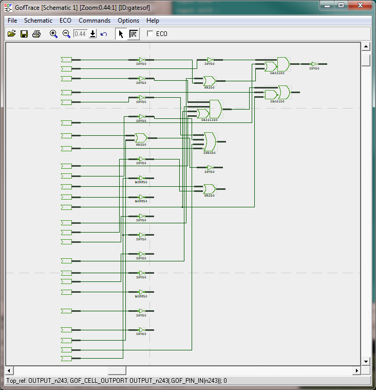
GOF generates a patch having 24 gates in total.

Figure 1 GOF ECO patch
While Conformal ECO generates a big patch with total 76 gates.

Figure 2 Conformal ECO patch
The files can be downloaded to reproduce the result
gof -lib mp16.lib imp.v -ref ref.v -run eco.gpl